ОТГРУЗИЛИ ИЗДЕЛИЙ
с 2008 года: тонн
по чертежам тонн
по сериям и ТУ тонн
из артбетона Переезды трамвайные ТУ 5746-003-23078401-08Мы производители! Ассортимент - более 50 тысяч номенклатурных позиций для любых cтроительных задач.У нас можно купить переезды трамвайные ТУ 5746-003-23078401-08 с доставкой по Санкт-Петербургу (СПб), Москве, Ростову-на-Дону, Казани, Екатеринбургу, Новосибирску, Хабаровску и другим городам России и Казахстана (Алма-Ате, Астане, Шымкенте, Актобе). Плиты ТУ 5746-003-23078401-08, которые изготавливаются для безопасных железнодорожных переездов, состоят из резиновых элементов и армированного высококачественного бетона. Именно такие изделия берут верх над другими железобетонными или резиновыми изделиями, которые наделены похожими функциями и предназначением. Правильно изготовленные изделия, плотно прилегают к железнодорожным путям, тем самым сохраняют первоначальную ширину рельсовой колеи. Плиты переезда железнодорожные могут качественно эксплуатироваться даже при очень низких и высоких температурах воздуха. Принятые условные обозначения: Серия 501-01-6.89 НПЖ.1 Серия 501-01-6.89 НПЖ.2 Серия 501-01-6.89 НПЖ.3 Серия 501-01-6.89 НПЖ.4
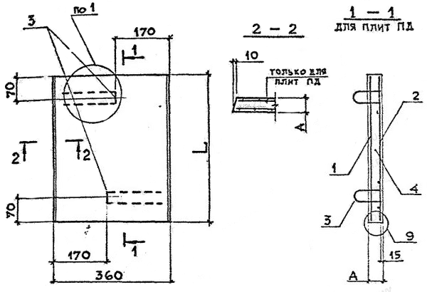
B - длина плиты переезда;
L - ширина плиты переезда; H - высота плиты переезда;
ТУ 5746-003-23078401-08 Плиты бетонные вибропрессованные для покрытия трамвайных путей
Компания «Промышленные Железобетонные Изделия», имея огромный опыт в производстве и продаже железобетонных изделий, гарантирует максимально быстро и корректно оказать все предоставляемые работы и услуги. Цена по запросу. Наличие по запросу. Подробнее о:
// //
![]()
У нас можно заказать изготовление по чертежам любых ЖБИ
в соответствии с ТР ТС
Доставка в любой город России и Казахстана Цена от 10000 рублей за 1 м3 ( от 5 руб за кг). Производство ЖБИ
Консультация эксперта
Сергеев Александр Вячеславович - Эксперт с 25-летним стажем в сфере производства ЖБИ и изделий из бетона.
Смотрите также:
Плиты для железнодорожных переездов
Плиты трамвайных переездов
Полимеркомпозитные изделия
Лотки дренажные стеклопластиковые (композитно-полимерные) для железных дорог
жби
Повышенные ЖД-пути
Распорки (подшпальные балки)
жб
Шпальный ящик
Плиты переезда железнодорожные
от завода
Секции блочной посадочной платформы с рельефной поверхностью
Плиты ПТИ
Платформы пассажирские низкие железобетонные. ТП 501-7-014.91
из бетона
Платформы пассажирские низкие железобетонные. ТП 501-07-5.84
Низкие пассажирские платформы
(бетон)
Плита краевая КПП
Нам доверяют:
|


