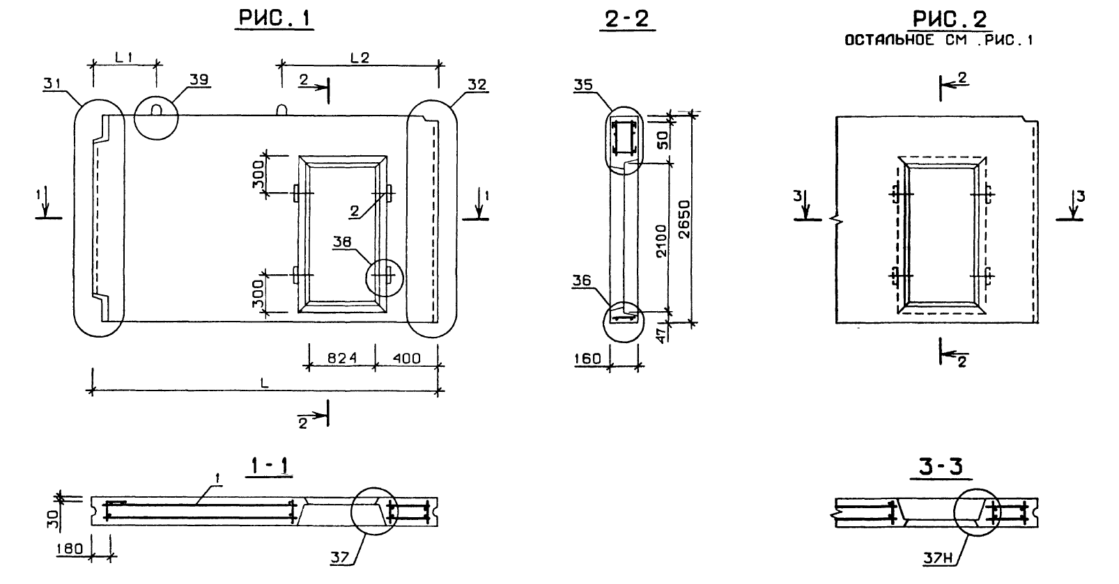
ОТГРУЗИЛИ ИЗДЕЛИЙ с 2008 года: тонн по чертежам тонн по сериям и ТУ тонн из артбетона Внутренняя поперечная стеновая панель В2.5-52.27.16-2 серия 1.131-2/82
![]()
У нас можно заказать изготовление по чертежам любых ЖБИ
в соответствии с ТР ТС
Доставка в любой город России и Казахстана Цена от 10000 рублей за 1 м3 ( от 5 руб за кг). Производство ЖБИ
Консультация эксперта
Сергеев Александр Вячеславович - Эксперт с 25-летним стажем в сфере производства ЖБИ и изделий из бетона.
Внутренняя поперечная стеновая панель В2.5-52.27.16-2 серия 1.131-2/82 в наличии и под заказ по цене от 10 т.р. за м3. У нас можно купить ЖБИ «Внутренняя поперечная стеновая панель В2.5-52.27.16-2 серия 1.131-2/82» с доставкой в любой город, а также любые ЖБИ изделия.
Нам доверяют:
|



