ОТГРУЗИЛИ ИЗДЕЛИЙ
с 2008 года: тонн
по чертежам тонн
по сериям и ТУ тонн
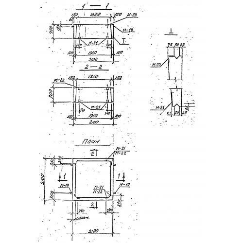
из артбетона Средний блок камеры СБК 1,8 Серия 3.903 КЛ-13
![]()
У нас можно заказать изготовление по чертежам любых ЖБИ
в соответствии с ТР ТС
Доставка в любой город России и Казахстана Цена от 10000 рублей за 1 м3 ( от 5 руб за кг). Производство ЖБИ
Консультация эксперта
Сергеев Александр Вячеславович - Эксперт с 25-летним стажем в сфере производства ЖБИ и изделий из бетона.
Средний блок камеры СБК 1,8 Серия 3.903 КЛ-13 в наличии и под заказ по цене от 10 т.р. за м3. У нас можно купить ЖБИ «Средний блок камеры СБК 1,8 Серия 3.903 КЛ-13» с доставкой в любой город, а также любые ЖБИ изделия.
Нам доверяют:
|



