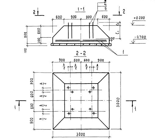
ОТГРУЗИЛИ ИЗДЕЛИЙ с 2008 года: тонн по чертежам тонн по сериям и ТУ тонн из артбетона Ростверк монолитный РМ1-1 Серия 3.015-5/86
Популярные товары в каталоге
![]()
У нас можно заказать изготовление по чертежам любых ЖБИ
в соответствии с ТР ТС
Доставка в любой город России и Казахстана Цена от 10000 рублей за 1 м3 ( от 5 руб за кг). Производство ЖБИ
Консультация эксперта
Сергеев Александр Вячеславович - Эксперт с 25-летним стажем в сфере производства ЖБИ и изделий из бетона.
Смотрите также:Ригель РП 6.2.83-4-с Серия 1.020.1-2с/89
Ригель РП 6.2.83-4 Серия 1.020.1-2с/89 Ригель РП 6.2.83-3-с Серия 1.020.1-2с/89 Ростверк монолитный РМ1-10 Серия 3.015-5/86 Ростверк монолитный РМ1-11 Серия 3.015-5/86 Ростверк монолитный РМ1-2 Серия 3.015-5/86 Ростверк монолитный РМ1-1 Серия 3.015-5/86 в наличии и под заказ по цене от 10 т.р. за м3. У нас можно купить ЖБИ «Ростверк монолитный РМ1-1 Серия 3.015-5/86» с доставкой в любой город, а также любые ЖБИ изделия.
Нам доверяют:
|






