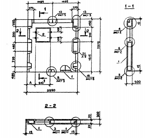
ОТГРУЗИЛИ ИЗДЕЛИЙ с 2008 года: тонн по чертежам тонн по сериям и ТУ тонн из артбетона Панель ПСТ 66.9-3,0-ТП-21 Серия 1.432.1-21
Популярные товары в каталоге
![]()
У нас можно заказать изготовление по чертежам любых ЖБИ
в соответствии с ТР ТС
Доставка в любой город России и Казахстана Цена от 10000 рублей за 1 м3 ( от 5 руб за кг). Производство ЖБИ
Консультация эксперта
Сергеев Александр Вячеславович - Эксперт с 25-летним стажем в сфере производства ЖБИ и изделий из бетона.
Смотрите также:Панель ПСТ 66.9-3,0-ТП-12 Серия 1.432.1-21
Панель ПСТ 66.9-3,0-ТП-11 Серия 1.432.1-21 Панель ПСТ 66.9-3,0-ТМ-11 Серия 1.432.1-21 Панель ПСТ 66.9-3,0-ТП-22 Серия 1.432.1-21 Панель ПСХВ 36.15.10 Серия 1.432.1-33.93 Панель ПСХВ 36.15.10-л Серия 1.432.1-33.93 Панель ПСТ 66.9-3,0-ТП-21 Серия 1.432.1-21 в наличии и под заказ по цене от 10 т.р. за м3. У нас можно купить ЖБИ «Панель ПСТ 66.9-3,0-ТП-21 Серия 1.432.1-21» с доставкой в любой город, а также любые ЖБИ изделия.
Нам доверяют:
|








