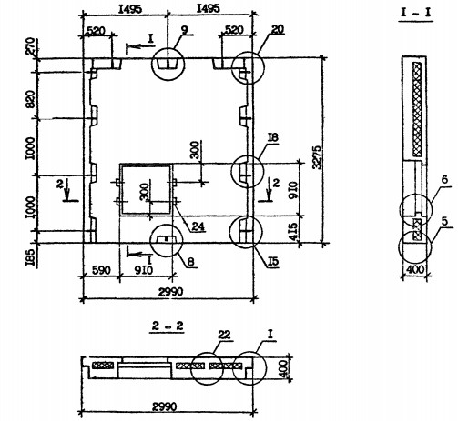
ОТГРУЗИЛИ ИЗДЕЛИЙ с 2008 года: тонн по чертежам тонн по сериям и ТУ тонн из артбетона Панель 3ПСО 29.33.3,5-2П-ПВ Серия 1.090.1-3пв
Популярные товары в каталоге
![]()
У нас можно заказать изготовление по чертежам любых ЖБИ
в соответствии с ТР ТС
Доставка в любой город России и Казахстана Цена от 10000 рублей за 1 м3 ( от 5 руб за кг). Производство ЖБИ
Консультация эксперта
Сергеев Александр Вячеславович - Эксперт с 25-летним стажем в сфере производства ЖБИ и изделий из бетона.
Смотрите также:Панель 3ПСО 29.33.3,5-1П-ПВ Серия 1.090.1-3пв
Панель 3ПСЛ 30.33.4-2ПТ-С Серия 1.090.1-2с Панель 3ПСЛ 30.33.4-2П-С Серия 1.090.1-2с Панель 3ПСО 29.33.4,0-1П-ПВ Серия 1.090.1-3пв Панель 3ПСО 29.33.4,0-2П-ПВ Серия 1.090.1-3пв Панель 3ПСО 30.30.3-1П-С Серия 1.090.1-2с Панель 3ПСО 29.33.3,5-2П-ПВ Серия 1.090.1-3пв в наличии и под заказ по цене от 10 т.р. за м3. У нас можно купить ЖБИ «Панель 3ПСО 29.33.3,5-2П-ПВ Серия 1.090.1-3пв» с доставкой в любой город, а также любые ЖБИ изделия.
Нам доверяют:
|










