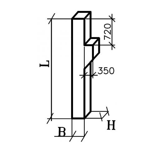
ОТГРУЗИЛИ ИЗДЕЛИЙ с 2008 года: тонн по чертежам тонн по сериям и ТУ тонн из артбетона Колонна К11а-2-4 Серия 1.420-12
Популярные товары в каталоге
![]()
У нас можно заказать изготовление по чертежам любых ЖБИ
в соответствии с ТР ТС
Доставка в любой город России и Казахстана Цена от 10000 рублей за 1 м3 ( от 5 руб за кг). Колонны нашего производства
Консультация эксперта
Сергеев Александр Вячеславович - Эксперт с 25-летним стажем в сфере производства ЖБИ и изделий из бетона.
Смотрите также:Колонна К11а-2-3 Серия 1.420-12
Колонна К11а-1-6 Серия 1.420-12 Колонна К11а-1-5 Серия 1.420-12 Колонна К11а-2-5 Серия 1.420-12 Колонна К11а-2-6 Серия 1.420-12 Колонна К11а-3-3 Серия 1.420-12 Колонна К11а-2-4 Серия 1.420-12 в наличии и под заказ по цене от 10 т.р. за м3. У нас можно купить ЖБИ «Колонна К11а-2-4 Серия 1.420-12» с доставкой в любой город, а также любые ЖБИ изделия.
Нам доверяют:
|






